Gearmotor VarmoTech FBT3 S85 M25 1.5E

AC gearmotor 1.5 RPM with 8.5 mm shaft clockwise rotation.
Save 0.00 (- 0 %)

139,90 € 139,90 € 139.9 EUR

114,67 €

    This combination does not exist.

     

    Designed for low speed and high torque applications. FB1222 geared motor is suited to be used as rotor in pellet stoves.

    For stoves:

    • CAMINETTI MONTEGRAPPA ref. 1044001300 mod. AX9 - AX11 - LI8 Evo

    • CLAM Cod. 05011197 Mod. Atlas - Mizar - Elegance - Oslo - Sirio - Sirio - Sirio+ - Astra - Astra+ - Venere - Venere+ - Vega - Vega+ - Brooklyn - New York - Vienna - Parigi - Style - Time - Vintage - Retrò - Vittoria 20 kW

    • CLAM Cod. 05011412 Mod. Suez+ - Pratico Small+ - Favilla F.P. 15 - Suez Idro Air Power - Molina EVO - Tivoli 8/20 kW - Vittoria EVO 20 kW

    • CLAM Cod. 05010501 Mod. Molina CLAM Cod. 05010017 Mod. Pulsar

    • MCZ ref. 41451301300 mod. Aike AIR Oyster - Aike COMFORT AIR - Cap NATURAL - Club 2.0 AIR - Club 2.0 COMFORT AIR - Cute - Cute 2016 - Deco - Ego 2.0 AIR - Ego 2.0 AIR Top smoke outlet - Ego 2.0 AIR Oyster - Ego 2.0 COMFORT AIR - Klin - Lam NATURAL - Musa 2.0 AIR - Musa 2.0 COMFORT AIR - Musa 2.0 COMFORT AIR 14 kW - Star 2.0 AIR - Star 2.0 COMFORT AIR - Stream COMFORT AIR - Suite 2.0 AIR - Suite 2.0 COMFORT AIR - Thema - Thema 2016 - Tilda - Tray NATURAL - Tray NATURAL Serpentino

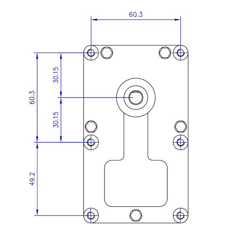
    Technical data

    General data
    Rotation speed1,50 RPM
    Magnetic core25 mm
    Shaft diameter8,50 mm
    Shaft millingSingle
    RotationClockwise
    Output torque24 Nm
    Encoder
    Power supply
    Power consumption16 W
    Power supply230/1/50 V/Ø/Hz
    Physical Dimensions
    Dimensions (L x W x H) 0.0 x 0.0 x 0.0 mm
    Net Weight 1.8 kg
    This is a preview of the recently viewed products by the user.
    Once the user has seen at least one product this snippet will be visible.

    Rating and Comments