Gearmotor VarmoTech K917 H85 M40 5.0

AC gearmotor 5.0 RPM without drive shaft clockwise rotation.
Save 0.00 (- 0 %)

114,90 € 114,90 € 114.9 EUR

94,18 €

    This combination does not exist.

     

    Designed for low speed and high torque applications. Kenta K9177315 geared motor is suited to be used as rotor in pellet stoves.

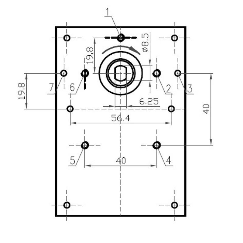
    Technical data

    General data
    Rotation speed5,00 RPM
    Magnetic core40 mm
    Shaft diameter8,50 mm
    Shaft millingDouble
    RotationClockwise
    Output torque25 Nm
    Encoder
    Power supply
    Power consumption40 W
    Power supply230/1/50 V/Ø/Hz
    Physical Dimensions
    Dimensions (L x W x H) 0.0 x 0.0 x 0.0 mm
    Net Weight 1.9 kg
    This is a preview of the recently viewed products by the user.
    Once the user has seen at least one product this snippet will be visible.

    Rating and Comments